Звонок по г. Хабаровск с 9:00 до 18:00
Компания
Покупателям
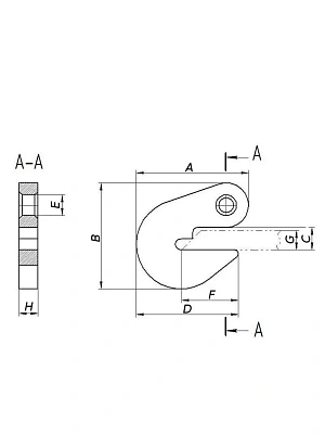
Обозначение ЗБП-2,5-35-100
Г/п 2,5 тн
A 35-100 мм
B 160 мм
C 100 мм
D 320 мм
Назначение
Захват для балконных плит используется в строительстве для подъема плит на высоту в процессе монтажных работ.
Конструкция
Захват представляет собой конструкцию струбцинного типа. Винтовой зажим позволяет создать значительное усилие для надежной фиксации плиты. Зев захвата позволяет использовать его при работе с плитами толщиной от 35мм до 100мм.
Как правило используется на стропе типа 4СК. При заказе захвата без строп, дополнительная комплектация скобой оговаривается отдельно.